购物车 (0)

购物车中还没有商品,赶紧选购吧!

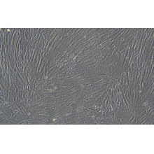
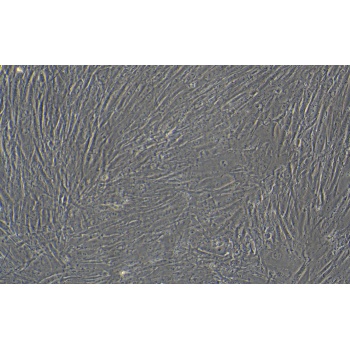
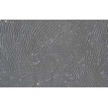
人主动脉瓣膜间质细胞

专柜价: 10344
本店价: 8620 高级会员购买享有折扣

会员价格

会员等级 会员价格
注册用户 8620
VIP 8620
SVIP 8620
  • 商品货号: ORCH437
  • 商品库存: 10000
  • 规格: 5×10^5cel
  • 上架时间: 2023-06-30
  • 商品重量: 500克
  • 此商品可使用:0积分
  • 数量:
     件
加入购物车 说明书 喜欢
  • 销量 0
  • 评价 0
  • 满意度 100%
  • 人主动脉瓣膜间质细胞
    • 产品名称:人主动脉瓣膜间质细胞
    • 产品品牌:澳培赛生物
    • 组织来源:主动脉组织
    • 细胞形态:长梭形、不规则细胞
    • 种属来源:人
    • 规格:5×10⁵Cells/T25培养瓶
    • 传代特性:根据细胞特性
人主动脉瓣膜间质细胞
一、细胞基本属性
细胞名称
人主动脉瓣膜间质细胞
组织来源
主动脉组织
商品货号
ORCH437
种属来源
产品规格
5×105cells/T25细胞培养瓶
细胞简介
主动脉瓣施半月瓣,位于左心室和主动脉之间,抑制射入主动脉的血液回流入左心室。
主动脉瓣钙化可引起主动脉瓣狭窄关闭不全等,施导致老年退行性心瓣膜病的重要病理改变,其发病率随着年龄的增加而升高。有研究表明,瓣膜间质细胞向城固细胞样细胞表型转化有可能是主动脉瓣膜钙化的病理改变基础之一。
培养基
原代间质细胞培养体系
换液频率
每2-3天换液一次
生长特性
贴壁
细胞形态
长梭形、不规则细胞
传代特性
根据细胞特性
消化液
0.25%胰蛋白酶
培养条件
气相:空气,95%;CO2,5%
质量检测:澳睿赛实验室分离的人主动脉瓣膜间质细胞经平滑肌肌动蛋白(α-SMA)或波形蛋白(Vimentin)免疫荧光染色为阳性,纯度可达90%以上,且不含有HIV-1、HBV、HCV、支原体、细菌、酵母和真菌等。 
人主动脉瓣膜间质细胞体外培养周期有限;建议使用澳睿赛配套的专用生长培养基及正确的操作方法来培养,以此保证该细胞的最佳培养状态。 
二、细胞培养状态
发货时发送细胞电子版照片
三、使用方法
在澳睿赛技术部标准操作流程下,建议您收到细胞后尽快进行相关实验。
客户收到细胞后,请按照以下方法进行操作。
1. 取出T25细胞培养瓶,用75%酒精消毒瓶身,拆下封口膜,放入37℃、5%CO2、饱和湿度的细胞培养箱中静置3-4h,以稳定细胞状态。
2. 贴壁细胞消化
1)吸出T25细胞培养瓶中的培养基,用PBS清洗细胞一次;
2)添加0.25%胰蛋白酶消化液1mL至T25培养瓶中,轻微转动培养瓶至消化液覆盖整个培养瓶底后,吸出多余胰蛋白酶消化液,37℃温浴1-3min;倒置显微镜下观察,待细胞回缩变圆后,再加入5ml完全培养基终止消化;
3)用吸管轻轻吹打混匀,按传代比例接种T25培养瓶传代,然后补充新鲜的完全培养基至5mL,置于37℃、5%CO2、饱和湿度的细胞培养箱中静置培养;
4)待细胞完全贴壁后,培养观察;之后按照换液频率更换新鲜的完全培养基。
3. 悬浮细胞处理
1)收集T25细胞培养瓶中的培养基至50ml离心管中,用PBS清洗细胞培养瓶1-2次,收集清洗液;
2)1200-1500rpm离心3min,弃上清,收集细胞沉淀;
3)加入5ml新鲜完全培养基,用吸管轻轻吹打混匀、分散细胞;将分散好的细胞调整合适密度接种至培养器皿中,置于37°C、5%CO2、饱和湿度的细胞培养箱中静置培养;
4)若遇到悬浮细胞团块较大,无法机械吹散时,向步骤2)中细胞沉淀添加0.25%胰蛋白酶消化液2mL至离心管中,用吸-管轻轻吹打混匀,37°C温浴2-3min,消化结束后,加入胰酶抑制剂(或血清)终止消化,用吸管轻轻吹打,分散细胞;1200rpm离心5min,弃上清,收集细胞沉淀;
5)加入5ml新鲜完全培养基,用吸管轻轻吹打混匀;按传代比例进行接种传代,然后补充新鲜的完全培养基至5mL,置于37°C、5%CO2、饱和湿度的细胞培养箱中静置培养;
6)待细胞状态稳定后,培养观察;之后按照换液频率更换新鲜的完全培养基。 
  
4. 细胞收货脱落
1)收集所有细胞悬液,1000rpm,离心5min,保留沉淀;
2)添加0.25%胰蛋白酶消化液0.5mL至离心管中,重悬沉淀,放置于37℃消化3min(或4℃冰箱静置5-7min);消化完向离心管内加入5ml完全培养基终止消化;
3)经1000rpm,离心5min,丢弃上清,用5ml完全培养基(补加1%FBS,促进贴壁)重悬沉淀,接种于新的培养瓶内;
4)待细胞完全贴壁后,培养观察;之后按照换液频率更换新鲜的完全培养基(37℃预热)。
5. 细胞实验
因原代细胞贴壁特殊性,贴壁的原代细胞在消化后转移至其他实验器皿(如玻璃爬片、培养板、共聚焦培养皿等)时,需要对实验器皿进行包被,以增强细胞贴壁性,避免细胞因没贴好影响实验;包被条件常选用鼠尾胶原Ⅰ(2-5μg/cm2) ,多聚赖氨酸PLL(0.1mg/ml),明胶(0.1%),依据细胞种类而定。悬浮/半悬浮细胞无需包被。       
四、注意事项
1. 培养基于4℃条件下可保存3-6个月。
2. 在细胞培养过程中,请注意保持无菌操作。
3. 传代培养过程中,胰酶消化时间不宜过长,否则会影响细胞贴壁及其生长状态。
4. 建议客户收到细胞后前3天每个倍数各拍几张细胞照片,记录细胞状态,便于和澳睿赛技术部沟通;由于运输的原因,个别敏感细胞会出现不稳定的情况,请及时和我们联系,详尽告知细胞的具体情况,以便我们的技术人员跟踪、回访直至问题得到解决。
5. 该细胞只可用于科研。
1)本产品未通过直接用于活体动物和人的审核
2)本产品未通过用于活体诊断的审核 
备注:由于实验所用试剂、操作环境及操作手法的不同,以上方法仅供各实验室参考
人主动脉瓣膜间质细胞
人主动脉瓣膜间质细胞

加入购物车
商品已成功加入购物车
<<继续购物 去结算
公众号二维码 微信公众号 企业微信二维码 企业微信号